MATLAB Projects
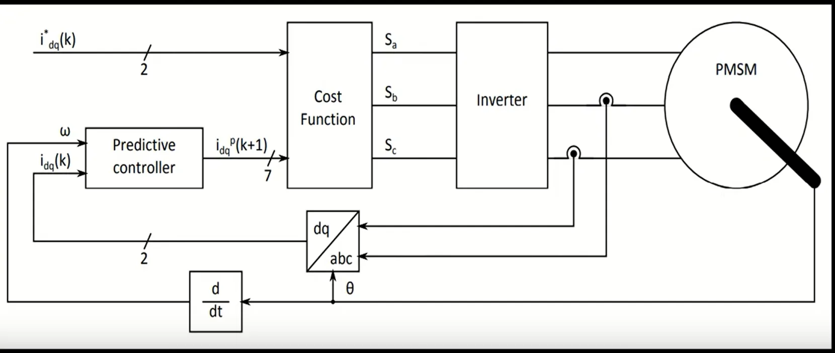
Direct Torque Control of Permanent Magnet Synchronous Motor
Improved Nonlinear Active Disturbance Rejection Controller for Hybrid Microgrid With Communication Delay
A Novel Sliding Mode Estimation for Microgrid Control With Communication Time Delays
Offset-free Model Predictive Control for Buck Converter Feeding Constant Power Load
Adaptive Passivity Based Control of Buck Power Converter with Constant Power Load
Nonlinear Speed Control for PMSM System Using Sliding-Mode Control & Disturbance Compensation
Featured Products

Worldwide Shipping
Shop from anywhere

Best Quality
Designed by experts

Best Offers
50% discount

Secure Payments
Security is guranted























