MATLAB Projects
Model Predictive Direct Torque Control with Finite Control Set for PMSM Drive
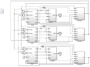
Decentralized Sliding Mode Load Frequency Control for Multi-Area Power Systems
Predictive Torque Control of Induction Motor
Adaptive sliding mode control of DC-DC converter
Stabilizing DC Microgrids: UNCS Observer & Controller
Featured Products

Worldwide Shipping
Shop from anywhere

Best Quality
Designed by experts

Best Offers
50% discount

Secure Payments
Security is guranted